PRODUCT CENTER
文章推荐
AGGAME
联系人:尹经理
联系电话:13276363313
QQ:1138303036
公司地址:山东省潍坊市高新区光电路155号光电产业加速器(一期)
金属款六要素气象传感器
发布时间:2023-12-08 17:34:26
型号:TH-Y6S
品牌:AGGAME
相关产品
产品描述
一、金属款六要素气象传感器产品简介
山东AGGAME环境科技有限公司作为专业研发生产销售微型气象仪的企业,一直致力于微型气象仪和气象环境解决方案推广应用。具有完整的生产链、实力雄厚的技术团队和全面的营销团队,我们研发生产的超声波风速风向仪、五要素微气象仪、六要素微气象仪和小型自动气象站等气象产品,已广泛应用到气象监测、城市环境监测、风力发电、航海船舶、航空机场、桥梁隧道等领域,客户遍布全国各地,并取得了良好的社会效益和经济效益。
TH-Y6S型六要素微气象仪原理为发射连续变频超声波信号,通过测量相对相位来检测风速风向。与传统的超声波风速风向仪相比,我司产品克服了对高精度计时器的需求,避免了因传感器启动延时、解调电路延时、温度变化而造成的测量不准问题。
TH-Y6S型六要素微气象仪创新性地将气象标准六参数(环境温度、相对湿度、风速、风向、大气压力、压电雨量)通过一个高集成度结构来实现,可实现户外气象参数24小时连续在线监测,通过数字量通讯接口将六项参数一次性输出给用户。
二、金属款六要素气象传感器产品特点
1、顶盖隐藏式超声波探头,避免雨雪堆积的干扰,避免自然风遮挡
2、原理为发射连续变频超声波信号,通过测量相对相位来检测风速风向
3、风速、风向、温度、湿度、大气压力、压电雨量六要素一体式
4、采用先进的传感技术,实时测量,无启动风速☆
5、抗干扰能力强,具有看门狗电路,自动复位功能,保证系统稳定运行
6、高集成度,无移动部件,零磨损
7、免维护,无需现场校准
8、采用不锈钢材质,强度高、抗氧化、抗腐蚀
9、产品设计输出信号标配为RS485通讯接口(MODBUS协议);可选配232、USB、以太网接口,支持数据实时读取☆
10、可选配外置无线传输模块,最小传输间隔1分钟
11、可选配内置加热模块:加热电流1A(DC12V),加热功耗12-15W
12、一体式设计磨损小、使用寿命长、响应速度快
三、金属款六要素气象传感器技术参数
1、风速:0~60m/s(±0.1m/s);
2、风向:0~360°(±2°);
3、空气温度:-40-60℃(±0.3℃);
4、空气湿度:0-100%RH(±3%RH);
5、大气压力:300-1100hpa(±0.25%);
6、压电雨量:0-4mm/min(±4%)
7、功率:1.08W
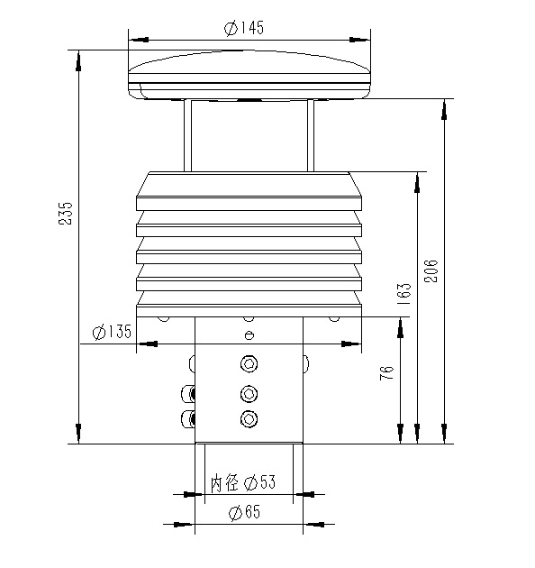
四、金属款六要素气象传感器产品尺寸图

五、金属款六要素气象传感器产品结构图

六、金属款六要素气象传感器注意事项
1.传感器水平周围1米半径无遮挡,避免水滴飞溅影响
2.传感器安装位置应避开强机械振动源
3.传感器安装上方应为开阔区域,雨滴应直接滴落至传感器,应免二次滴落和连续水流冲击
文章地址:http://www.caudalieshop.com/jinqx/1094.html
- 上一篇:金属款五要素微型气象仪
- 下一篇:没有了!

您当前位置:






